服务热线

400-869-8582

我们能帮您找点什么吗?

Baidu
acc米兰体育

HBK G-Link-200-R 无线加速度传感器

美国 HBK (原 Parker LORD)MicroStrain G-Link-200-R 专门设计用于监控游乐设施和过山车的动态特性。 该无线传感器符合 ASTM F2137-18 标准。 G-Link-200-R 具有板载三轴加速度计报告高分辨率波形数据,噪声和漂移极低。

Lord Sensing 无线传感器网络可实现来自可扩展传感器网络的同步高速传感和数据聚合。 我们的无线传感系统非常适合测试和测量、远程监控、系统性能分析和嵌入式应用。

用户可以使用 SensorConnect 软件轻松对节点进行编程,以实现连续或事件触发采样。 可选的基于网络的 SensorCloud 界面可优化来自远程网络的传感器数据的数据聚合、分析、呈现和警报。

一、产品优点

高性能传感坚固耐用且防风雨可靠的数据收集针对多种应用进行配置

• 符合 ASTM F2137-18 标准。

• ±20 g 三轴测量范围。

• 所有轴上的噪声极低:80 µg/√Hz

• 板载温度传感器。

• 适用于 CFC10、CFC21 或 CFC60 的可配置低通滤波器。

• IP-67 防风雨外壳。

• -40 至 +85°C 工作温度。

• 不锈钢底座。

• 螺栓或磁性安装座。

• 使用 LXRS 或 LXRS+ 协议的无损、同步且可扩展的网络。

• 使用 SensorConnect (PC)、SensorCloud (web) 或 MSCL(API 库)

远程配置节点并查看传感器数据。

• 128-1024 Hz 采样。

• 实时传输数据和/或保存到板载内存。

二、应用实例

测试与测量影响和事件监测

• 端到端数据采集系统减少了测试时间和成本。

• 使用 SensorConnect 远程配置节点网络并实时收集数据。

• 网络中的所有节点都使用 Lord 专有的无线网络协议来传输同步且无损的数据。

• 使用 SensorConnect 的实时 FFT 进行实时频谱测量。

• 事件驱动采样允许仅报告围绕预定义事件的感兴趣的数据。 

• 用户可配置的事件前和事件后持续时间允许您查看导致事件发生的数据,以及数据如何恢复到正常条件。

三、应用领域

应用领域

• 加速度和振动监测

• 标准化游乐设施特性测试(SARC 测试)

• 影响和事件监控• 基于状态的维护 (CBM)

四、技术规格

模拟输入通道

8 g 版本40 g 版本
测量范围:
±2 g,±4 g或±8 g±10g,±20g或±40g(软件可选)
噪声密度:25 µg/√ Hz80μg/Hz
0 g偏移量:±25mg(±2g)±50mg(±10g)
0 g偏移温度补偿:

±0.1 mg/°C (typical)

±0.15 mg/°C (maximum)

±0.5 mg /°C(typical)

±0.75 mg /°C (maximum)

集成传感器:三轴MEMS加速度计,3个通道
加速度计带宽:DC至1 kHz
分辨率:20位
比例因子误差:<1%满量程
交叉轴灵敏度:1%
灵敏度变化(温度):±0.01%/°C
抗混叠滤波器:1.5 kHz(-6 dB衰减)
低通数字滤波器:26至800 Hz - 可配置
高通数字滤波器:低至2.5 Hz - 可配置
集成温度通道
测量范围:- 40°C至85°C

精度:

±0.1°C(全范围)
采样
采样模式:连续,周期性爆发,事件触发输出选项:加速度,倾斜度:速度(IPSrms)
采样率:1至4096Hz采样率稳定性:±5 ppm
网络容量:每个RF通道最多128个节点节点同步:±50 µsec
数据存储容量:16 M字节(最多8,000,000个数据点)
电气规格
无线通信范围:室外/视距:2公里(理想)*,800米(典型值)**;室内/障碍物:50米(典型值)**
射频(RF)收发器载波:免许可证2.405至2.480 GHz,16通道射频发射功率:可在0 dBm至20 dBm范围内调节
供电电压:3 x 3.6 V,½AA电池(推荐Saft LS 14250)电池输入范围:0.8 V至5.5 V
工作温度:-40°C至+ 85°C机械冲击限制:1000g/ 1.5毫秒
物理规格
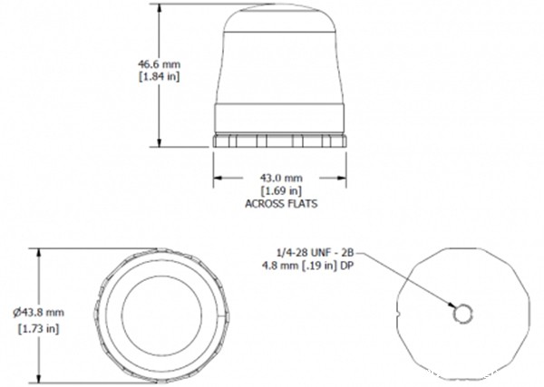
外形尺寸:46.6 mm x 43 mm x 44 mm安装:¼ - 28 UNF - 2B 4.8 mm [.19 in] DP
重量:带3节电池的节点:122克防护等级:IP67
外壳材料:300系列不锈钢带聚碳酸酯盖

五、产品展示

产品展示

HBK G-Link-200-R 无线加速度传感器尺寸图1.jpg

HBK G-Link-200-R 无线加速度传感器原理图1.png

G-Link-200-R传感器尺寸图
G-Link-200-R传感器原理图
HBK G-Link-200-R 无线加速度传感器示意图1.pngHBK G-Link-200-R 无线加速度传感器应用场景1.jpg
G-Link-200-R传感器示意图G-Link-200-R专门设计用于监控游乐设施和过山车的动态特性

推荐产品

热门资讯

头条

3DMCV7 是MicroStrain 推出的一款具备战术级性能的惯性传感器

佛蒙特州威利斯顿,2022 年 5 月 27 日- 全球运动和控制技术领导者派克汉尼汾公司的派克洛德噪声、振动和声振粗糙度部门通过推出3DM CV7-AHRS 和3DM扩大了其 MicroStrain 传感产品组合CV7-AR 惯性传感器。3DM CV7传感器采用迄今为止最小、最轻的 OEM 封装,提供战术级惯性性能。3DM CV7 传感器专为大批量 OEM 机器人应用而设计,能够以令人难以置信的价值提供始终如一的准确结果。

2025-10-31
探索更多

HBK G-Link-200-R 无线加速度传感器

咨询或邀约我们

请在线留言

captcha
我已阅读并同意使用条款隐私保护政策
我已阅读并同意使用条款隐私保护政策
Baidu
acc米兰体育